WT系列污水提升器是一体式污水提升系统,是专门处理无法自排至市政污水管道的高效节能一体化污水解决方案,主要应用于各类生活小区、别墅区、地铁站、民用建筑、酒店、大型商场等地下空间污水的收集和提升。该设备集成了污水集水箱、水泵、液位检测装置、智能控制系统、管路阀件等为一体。占地空间小,整体美观,封闭式运行避免了污水外泄,从而完全取代了传统的”污水坑+水泵"的解决方案。
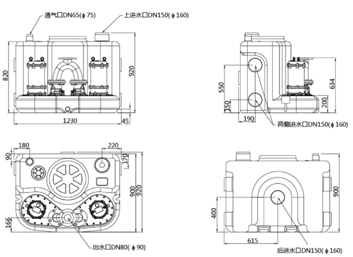
500系列(立式)是一款大容积双泵系统提升设备。主要用于大型商业综合体,公共企事业单位,大型公共场所,多户型等产生的生活污水提升,适合于持续大流量排水场所,双系系统,互为备用,正常情况下双泵交替运行,流量高峰时可双泵同时启动。如其中一台系机出现故障系统自动切换至单泵运行模式屏蔽故障泵机并报警显示,大大提高设备使用寿命及维护成本。箱体材质为耐腐蚀且环保的聚乙烯PE材质,密闭性好,经久耐用,箱体容积约500L,预留多方位可选垂直、水平进水口,便于安装。




